Поверхневий насос NPO QB50 (вихровий, 0.25 кВт)
Бренд:
NPOОпис
Вихрові електронасоси серії QB розроблені для перекачування води з різних джерел, включаючи відкриті водоймища, колодязі, свердловини та резервуари. Ці насоси ефективно застосовуються в зрошувальних системах, системах крапельного поливу, а також автоматизованих установках водопостачання для підвищення тиску в трубопроводах. Конструкція робочого колеса дозволяє пристрою перекачувати рідини, що містять газові або повітряні включення. Насоси цієї серії особливо підходять для ситуацій, де потрібно забезпечити високий напір при порівняно низькій витраті води.
Обмеження
- рідина: вода або інші рідини, подібні з водою по щільності та хімічної активності
- загальна мінералізація води, не більше 1500 г/м3;
- показник pH 6,5 - 9,5
- вміст механічних домішок не більше 20 г/м3;
- максимальний розмір частинок не більше 0,05 мм
- максимальна температура рідини: +40°С
- максимальна температура навколишнього середовища: +40 ° С
- максимальний робочий тиск: 0,8 МПа (8 бар) (0,6 МПа (6 бар) - для моделей QB50, QB60P)
Конструктивні характеристики
- моноблочні горизонтальні з одним робочим колесом
- корпус насосної камери з чавуну
- колесо робоче - вихрове, виконано з латуні
- вал з нержавіючої сталі AISI 304
- ущільнення торцеве - графіт / кераміка / NBR / AISI 304
- укомплектований кабелем живлення
- насосна частина укомплектована латунними вставками
Двигун
- асинхронний двополюсний з короткозамкненим ротором, з самовентиляцією
- ступінь захисту IP44
- клас ізоляції В
- однофазне виконання з встановленими в коробку висновків конденсатором
- вбудований в обмотку двигуна захист від перевантажень з автоматичним перезапуском
- напруга живлення: 220 В, 50 Гц
- режим роботи: тривалий
Характеристики
Виробник
NPO
Тип насосу
поверхневий
Тип всмоктування
вихровий
Потужність
0.25 кВт
Продуктивність насоса (л/хв)
26 л/хв
Глибина занурення
6 м
Максимальний натиск
21 м
Матеріал робочого колеса
латунь
Тип підключення
різьба
Діаметр вхідного патрубка
1 дюйм
Діаметр вихідного патрубка
1 дюйм
Тип перекачуваної рідини
чиста вода
Кількість фаз
1 фаза
Напруга
220 В
Ступінь захисту
IP44
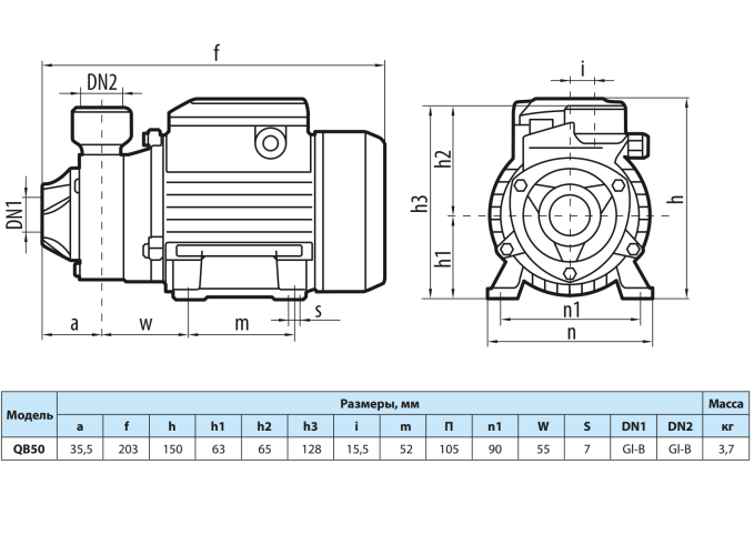
Габарити
203x105x150 мм
Вага
4 кг
Гарантія
24 міс.
Відгуки

Гарантія та якістьОфіційна гарантія від виробника
Доставка по УкраїніНова пошта (1-3 дні)
Оплата· Готівкою при отриманні товару· На банківську картку
Обмін/поверненняОбмін та повернення товару протягом 14 днів


















